VNB系列
 |
ACTION:
Exciting the coil, field attracts armature beyond spring force,
and then the produced gap makes inner-disc free. When the power
is shut off, armature is released and innwer-disc produces braking
torque with spring force. |
| characteristics
|
model
No:VNB- |
| VNB-02 |
VNB-04 |
VNB-08 |
VNB-15 |
VNB-22 |
VNB-40 |
VNB-55 |
VNB-80 |
| |
2.0 |
3.7 |
7.5 |
15 |
22 |
37 |
55 |
75 |
| |
90 |
90 |
90 |
90 |
90 |
90 |
90 |
90 |
| |
388 |
388 |
299 |
226 |
226 |
201 |
201 |
201 |
| |
0.23 |
0.23 |
0.30 |
0.40 |
0.40 |
0.45 |
0.45 |
0.45 |
| allowable braking energy before
gap adjustment |
MJ |
|
37 |
37 |
60 |
75 |
75 |
105 |
308 |
308 |
| allowable total braking energy |
MJ |
|
220 |
220 |
360 |
450 |
450 |
630 |
840 |
840 |
| muximum safety speed |
r/min |
|
1800 |
| |
1.9 |
1.9 |
2.6 |
5.1 |
5.1 |
6.9 |
8.7 |
8.7 |
| suitable power unit |
HD-12SY |
HD-100M |
HD-110M3 |
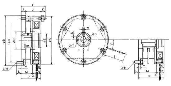
| model
No.
VNB- |
Major
Dimensions |
| B |
C |
F |
G |
H |
R |
SH7 |
WJS9 |
| VNB-02 |
107 |
95 |
52 |
0.3 |
M6 |
16 |
14 |
5 |
| VNB-04 |
107 |
95 |
52 |
0.3 |
M6 |
16 |
14 |
5 |
| VNB-08 |
125 |
112 |
52 |
0.3 |
M6 |
20 |
16 |
5 |
| VNB-15 |
152 |
135 |
67 |
0.3 |
M8 |
25 |
24 |
8 |
| VNB-22 |
152 |
135 |
67 |
0.3 |
M8 |
25 |
24 |
8 |
| VNB-40 |
167 |
150 |
73 |
0.3 |
M8 |
28 |
28 |
8 |
| VNB-55 |
172 |
153 |
97.5 |
0.4 |
M10 |
40 |
33 |
8 |
| VNB-80 |
172 |
153 |
97.5 |
0.4 |
M10 |
40 |
33 |
8 |
關(guān)閉窗口 |